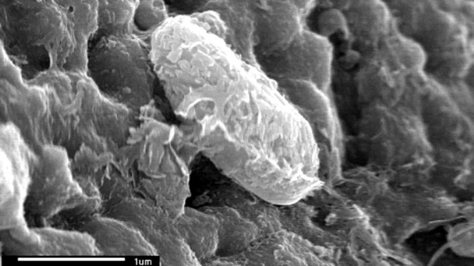
Atat ALH84001, cat si ceilalti doi meteoriti: Nakhla (descoperit
in Egipt in anul 1911) si Yamato 596 (descoperit in Antarctica in
anul 2000) prezinta aceleasi structuri considerate nano-fosile,
ramasite microscopice a ceea ce astrobiologii NASA, in frunte cu
David McKay, considera a fi urme fosilizate ale unor forme de viata
microbiene de origine extraterestra.
:format(webp):quality(80)/https://www.descopera.ro/wp-content/themes/descopera-twenty/assets/images/placeholder.png)
Meteoritii Nakhla si Yamato 596 vor si supusi unor analize
amanuntite inainte de a putea sustine cu certitudine ca sunt
purtatorii unor urme de viata fosile. „Nu putem spune ca am
demonstrat inca existenta vietii pe Marte. Dar credem ca suntem
foarte, foarte aproape de a dovedi ca a existat candva si ca poate
inca mai exista viata acolo”, concluzioneaza acelasi David
McKay.
:format(webp):quality(80)/https://www.descopera.ro/wp-content/themes/descopera-twenty/assets/images/placeholder.png)
Sursa: CosmicBlog
CITESTE SI: