Tot felul de organisme stranii prosperă în cele mai ostile medii ale planetei, dar unele locuri pot să fie prea aspre chiar şi pentru cele mai rezistente forme de viaţă, relatează BBC. Deşertul Atacama, din nordul Chile, este un candidat serios pentru titlul de cel mai ostil loc de pe pământ. Una dintre cele mai aride zone din lume, cu porţiuni în care nu cade nicio picătură de ploaie timp de cincizeci de ani, dă impresia că nu ar putea susţine vreo formă de viaţă. „Spre Atacama, aproape de coasta pustie, vezi un pământ fără oameni, unde nu sunt păsări, nu sunt fiare, nici copaci, nici vegetaţie”, spunea poetul Alonso de Ercilla, în secolul al XVI-lea.
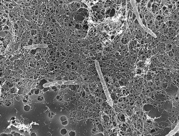
Totuşi, deşertul Atacama nu este complet pustiu. Unele microorganisme endolite au găsit o cale să se agaţe de porii rocilor, unde găsesc suficient de multă apă încât să supravieţuiască. „Reuşesc să susţină o întreagă comunitate de organisme, e fascinant”, spune Jocelyne DiRuggiero, miocrobiolog la Universitatea Johns Hopkins.

Microorganismele au apărut acum aproape patru miliarde de ani, având suficient timp să se adapteze la cele mai grele condiţii. Există însă vreun loc steril pe planetă? Oamenii de ştiinţă spun că temperatura ridicată ar putea să distrugă orice formă de viaţă, pentru că la peste 150 de grade Celsius, reacţiile chimice nu mai au loc, iar proteinele sunt distruse. De aceea, în interiorul vulcanilor sau în izvoarelor hidrotermale, în care temperatura la peste 400 de grade Celsius, viaţa nu poate exista.
Totuşi, cercetătorii au descoperit o specie de bacterii hipertermofile metanogene, care trăiesc în apropierea izvoarelor hidrotermale, la o temperatură de 122 de grade Celsius. Temperatura scăzută nu pare să fie o problemă pentru bacterii, anumite specii trăind şi la -10, sau chiar -20 de grade în permafrostul din Siberia şi în lacuri aflate sub calota glaciară, în Antarctica.
Sursă:YouTube
Nici presiunea uriaşă nu pare să împiedice viaţa să se dezvolte. Oamenii de ştiinţă au descoperit o specie de microorganisme, numită Desulforudis audaxviator, la aproape 3 kilometri sub pământ, într-o mină de aur din Africa de Sud. Acestea nu au mai fost în contact cu suprafaţa Terrei de milioane de ani şi supravieţuiesc absorbind nutrienţi din rocile care trec printr-o dezintegrare radioactivă. Substanţele chimice sau radiaţiile puternice nu par să distrugă orice formă de viaţă. Deinococcus radiodurans, spre exemplu, poate rezista la doze de radiaţii de 3000 de ori mai mari decât cele care sunt fatale oamenilor şi a supravieţuit unui zbor în spaţiu. La fel, arsenicul, mercurul şi alte metale grele, care ucid majoritatea formelor de viaţă, sunt esenţiale pentru anumite specii de bacterii extremofile.

Viaţa pare că găseşte o cale să se dezvolte în toate mediile de pe pământ, oricât de ostile ar fi acestea. Ar putea să existe însă o excepţie. Iazul Don Juan, cunoscut şi drept lacul Don Juan, a fost descoperit în 1961 de piloţii de elicopter Don Roe şi John Hickey, după care a şi fost numit. Don Juan este un lac mic, foarte puţin adânc, aflat în valea Wright, din Antarctica. Cu o lungime de 300 de metri şi o lăţime maximă de 100 de metri, întinderea de apă i-a uimit pe cei doi piloţi pentru că nu era îngheţată, deşi temperatura din termometre ajungea la -30 de grade Celsius. În ciuda zonei foarte reci în care se găseşte şi a adâncimi de doar câteva zeci de centimetri, lacul rămâne în stare lichidă datorită salinităţii sale extrem de ridicate.
Sursă:YouTube
Don Juan are o salinitate de 40%, de 11 ori mai mare decât cea a oceanelor şi de 14 ori mai mare decât cea a Mării Negre. Testele arată că apa lacului conţine 413 grame de clorură de calciu şi 29 de grame de clorură de sodiu la fiecare litru de apă. Acolo, cercetătorii au reuşit să găsească urme de viaţă microbială, însă nu au putut să determine încă dacă acestea cresc şi se multiplică în apele lacului, sau sunt aduse din alte zone. În afară de unele medii sintetice, create în laborator şi de temperaturi extreme, de ordinul sutelor de grade, momentan nu se cunosc medii complet sterile pe Terra. Don Juan este însă un exemplu de mediu în care „am putea să ne aşteptăm să existe viaţă, dar nu putem verifca prezenţa ei”, spune Corien Bakermans, microbiolog la Universitatea Penn State. Până la urmă, „Ceea ce nu există e mai greu de demonstrat decât ceea ce există”, după spusele cercetătoarei Helena Santos.
Sursa: Mediafax